Stroj za injekcijsko prešanje visoke preciznosti
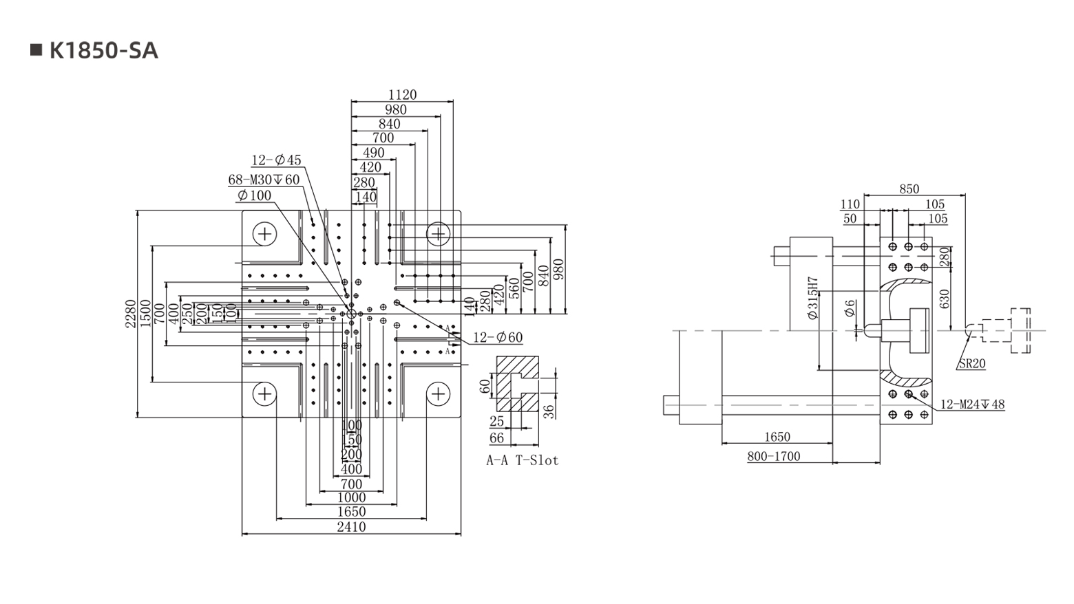
K1850-SA
PREV PRODUCT:No previous article
NEXT PRODUCT:K1500-SA
Stroj za injekcijsko prešanje visoke preciznosti
| OPIS | JEDINICA | K1850-SA | ||||
| MEĐUNARODNA OCJENA VELIČINA | 22000 | |||||
| A | B | C | D | |||
| JEDINICA ZA UBRIZGAVANJE | Promjer vijka | mm | 140 | 150 | 160 | 170 |
| Omjer vijaka L:D | 23.6 | 22 | 20.6 | 19.4 | ||
| Glasnoća udarca | cm3 | 11545 | 13254 | 15080 | 17024 | |
| Težina udarca (PS) | g | 10506 | 12061 | 13723 | 15492 | |
| oz | 370.6 | 425.4 | 484.1 | 546.5 | ||
| Tlak ubrizgavanja | Bar | 1913 | 1666 | 1464 | 1297 | |
| Brzina ubrizgavanja | cm3/s | 1525 | 1751 | 1992 | 2249 | |
| Kapacitet plastificiranja | g/s | 191 | 225 | 241 | 258 | |
| Max.brzina vijka | okr/min | 111 | ||||
| STEZNA JEDINICA | Sila stezanja | kN | 18500 | |||
| Razmak između spojnih šipki | mm | 1650x1500 | ||||
| Veličina ploče | mm | 2410x2280 | ||||
| Otvaranje udarca | mm | 1650 | ||||
| Min.mdd visina | mm | 800 | ||||
| Max.visina kalupa | mm | 1700 | ||||
| Udaljenost između ploča (dnevno svjetlo) | mm | 3350 | ||||
| Hod ejektora | mm | 400 | ||||
| Ejektorska sila | kN | 430 | ||||
| Broj ejektora | 25 | |||||
| JEDINICA ZA NAPAJANJE | Tlak sustava | Bar | 175 | |||
| Motor pumpe | kW | 42 54 54 54 | ||||
| Kapacitet grijanja | kW | 100 | ||||
| OPĆENITO | Kapacitet spremnika za ulje | L | 1500 | |||
| Dimenzija stroja (DxŠxV) | m*m*m | 15,6x4,6x5,2 | ||||
| Težina stroja | t | 130 | ||||
| Kapacitet spremnika | kg | 400 | ||||
| Ne | Konfiguracija komponenti | Marka | Mjesto podrijetla | Opseg konfiguracije |
| 1 | kontrolor | Tajvan Techmation (AK628) 8-inčno glodanje aluminija | Tajvan | K110-230 |
| 2 | kontrolor | Tajvan Techmation (TECH1) 8-inčno glodanje aluminija | Tajvan | K270-460 |
| 3 | kontrolor | Tajvan Techmation (TECH2) glodanje aluminija od 12 inča | Tajvan | K530-800 |
| 4 | Servo pumpa ulja | SAD VISOKA TEHNOLOGIJA | SAD | Puni raspon |
| 5 | servo motor | FAZA | Italija | Puni raspon |
| 6 | servo pogon | FAZA | Italija | Puni raspon |
| 7 | Servo kit | Njemačka Rexroth | Njemačka | Neobavezno |
| 8 | Prekretni ventil | Japan YUKEN | Taiwan | Puni raspon |
| 9 | Prekretni ventil | SAD VICKERS | SAD | Neobavezno |
| 10 | Prije plastični motor | DANDUN | Kina | Puni raspon |
| 11 | Motor za podešavanje kalupa | DANDUN | Kina | Puni raspon |
| 12 | Brtveni element | U.KHALLITE | Britanija | Puni raspon |
| 13 | sustav podmazivanja | HERG | Kina | Puni raspon |
| 14 | Osigurač | SCHNEIDER ELECTRIC | Francuska | Puni raspon |
| 15 | zračni prekidač | SCHNEIDER ELECTRIC | Francuska | Puni raspon |
| 16 | Elektronsko ravnalo | Bonny | SAD | Puni raspon |
| 17 | Elektronsko ravnalo | NOVOtek | Njemačka | Neobavezno |
| 18 | Poluprovodnički relej | FOTEK | Taiwan | Puni raspon |
| 19 | Putni prekidač | SCHNEIDER ELECTRIC | Francuska | Puni raspon |
| 20 | Prekidač blizine | FOTEK | Taiwan | Puni raspon |
| 21 | Vijčana bačva | TONGDA | Kina | Puni raspon |
Tvornica visokog stiarda
Ningbo KSM Machinery Manufacturing Co., Ltd. surađuje s talijanskim tehnologijama specijaliziranim za visokokvalitetnu plastiku u proizvodnji visokokvalitetnih strojeva za oblikovanje plastike. Naša korporacija nalazi se u industrijskom parku Ningbo Beilun Xing Ao. Imamo veliki broj osoblja za istraživanje i razvoj i surađujemo s grupom visokotehnoloških poduzeća. Kao profesionalac Kina K1850-SA-Stroj za injekcijsko prešanje visoke preciznosti dobavljači and OEM/ODM K1850-SA-Stroj za injekcijsko prešanje visoke preciznosti društvo, Uglavnom proizvodi visoko precizne strojeve za injekcijsko prešanje s rasponom sile stezanja od 110T do 1850T. Proizvodi imaju strukturu visoke krutosti i opremljene su uvezenim hidrauličkim i električnim elementima, korištenim vijkom s glavom za miješanje kako bi imali izvrsne performanse plastificiranja i bili prikladni za različito inženjersko brizganje plastike, a dostupna je i posebna narudžba korisnika. Otkako je osnovana corperation, uvijek je obraćao pozornost na reputaciju poduzeća, provodio znanstvene radove, upravljao racionalnim dizajnom, oslanjao se na kvalitetne usluge prije prodaje, prodaje i nakon prodaje kako bi pridobio povjerenje i odobravanje velikog broja korisnika. Držimo se mota "pošteni, stalno napredujte, stavite naglasak na kvalitetu, nikad se ne opustite u trudu". Iskreno dobrodošli prijatelji iz cijelog Waska za vodstvo. Tvrtka ima centar za istraživanje i razvoj sa snažnom razvojnom snagom. Istodobno, surađuje s domaćim sveučilištima i fakultetima na razvoju i istraživanju opreme za brizganje i proizvodnju plastike te stroja za brizganje. Tvrtka ima naprednu opremu za ispitivanje crijeva i eksperimentalnu opremu. Posljednjih godina, centar za istraživanje i razvoj postigao je mnoga postignuća u strojevima za brizganje i opremi za plastiku, procesu vulkanizacije gume i razvoju formulacije. Iskreno pozivamo kupce u zemlji i inozemstvu da posjete našu tvornicu i radujemo se vašoj dugoročnoj korporaciji koja će vam stvoriti lijepo sutra!
Zašto izabrati nas
Imamo vlastiti laboratorij za ispitivanje i naprednu i kompletnu opremu za inspekciju, koja može osigurati kvalitetu proizvoda proizvedenih našom opremom.
Naš godišnji proizvodni kapacitet je preko 500 kompleta strojeva za injekcijsko prešanje.
Usredotočeni smo na razvoj visokokvalitetnih proizvoda za vrhunska tržišta. Naši proizvodi su u skladu s međunarodnim standardima i uglavnom se izvoze u Europu, Ameriku, Japan i druga odredišta diljem svijeta.
Udaljeni smo samo 15 kilometara od luke Ningbo, vrlo je zgodno i učinkovito slati robu u bilo koju drugu zemlju.
Jamčimo visoku kvalitetu uz našu stručnost
Autentična pouzdana kvaliteta prirodno se ističe i nema straha od usporedbe.
Pružamo vam najnovije vijesti o poduzećima i industriji
1. Osnovni koncept kalupa s više šupljina Kalupi s više šupljina odnose se na postavljanje viš...
1. Visokoučinkoviti uljno-električni hibridni sustav The Uljno-električni stroj za ubrizga...
Primjena sustava za hlađenje ulja u stroj za brizganje plastike Kao učinkovita metoda hl...
Strojevi za brizganje plastike igraju vitalnu ulogu u modernoj industriji. Oni mogu učinkov...
Strojevi za brizganje plastike igraju vitalnu ulogu u modernoj industriji. Oni mogu učinkov...
Omjer reflowa važan je parametar u procesu brizganja plastike, posebno igrajući ključnu ulogu u rad...